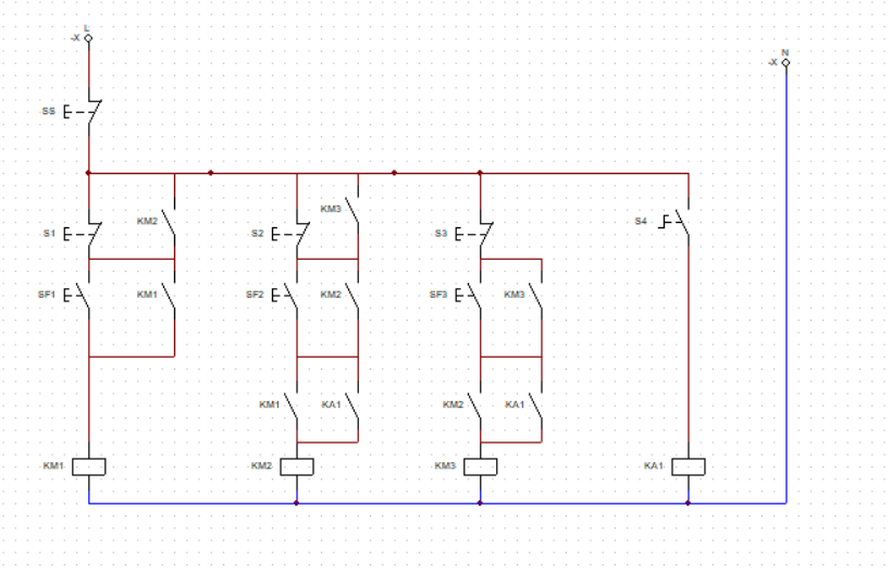
这是一个顺启逆停加上解锁后自由起停的电路。
需要用CADe simu 打开。
顺启逆停加解锁控制电路.cad
本文著作权归作者 [ 岚峰 ] 享有,未经作者书面授权,禁止转载,封面图片来源于 [ 互联网 ] ,本文仅供个人学习、研究和欣赏使用。如有异议,请联系博主及时处理。
这是一个顺启逆停加上解锁后自由起停的电路。
需要用CADe simu 打开。
顺启逆停加解锁控制电路.cad
开源不易,请尊重作者版权,保留基本的版权信息。